ระบบวาล์วโทรนิคส์BMW

Valvetronic คือระบบควบคุมวาล์วไอดีแบบแปรผัน ที่ช่วยลดการสิ้นเปลืองน้ำมันและเพิ่มสมรรถนะ โดยไม่ต้องพึ่งลิ้นปีกผีเสื้อ
หน้าที่ของ Valvetronic
ควบคุมปริมาณอากาศเข้าสู่ห้องเผาไหม้
ลดการใช้ลิ้นปีกผีเสื้อ (Throttle) ทำให้การไหลของอากาศ ตรง และมีประสิทธิภาพ
ปรับระยะยกของวาล์วไอดีได้อย่างละเอียด ตามรอบเครื่องและโหลดเครื่องยนต์
ช่วยประหยัดน้ำมัน และ ลดมลพิษ
ทำให้การตอบสนองของเครื่องยนต์เร็วขึ้น และลื่นไหล
ทำงานยังไง?
Valvetronic จะทำงานร่วมกับระบบ VANOS และระบบควบคุมเครื่องยนต์ DME โดยมีโครงสร้างหลัก ๆ ดังนี้:
ส่วนประกอบและหน้าที่
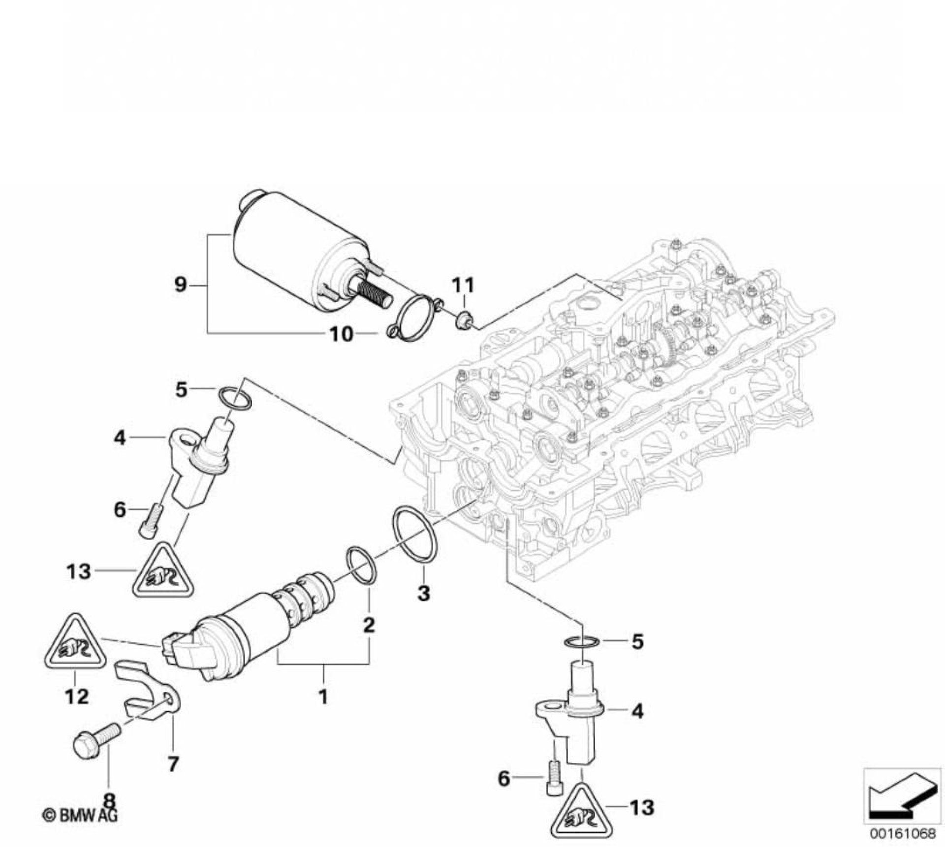
Valvetronic Motor-----มอเตอร์ที่หมุน เพลาข้อเหวี่ยงจิ๋ว (eccentric shaft) เพื่อเปลี่ยนระยะยกของวาล์ว
️ Intermediate Lever---คันโยงที่รับแรงจากแคมชาฟต์ แล้วถ่ายทอดไปยังวาล์วไอดีผ่าน Rocker Arm
Eccentric Shaft----เพลาที่หมุนเพื่อเปลี่ยนมุมการดันวาล์ว ทำให้วาล์วเปิดกว้างหรือแคบได้ตามต้องการ
DME (ECU)---ควบคุมมอเตอร์ให้ปรับมุมการยกวาล์วตามโหลดเครื่องยนต์
Valvetronic จะ ปิดการทำงาน ชั่วคราวเวลาสตาร์ทรถ แล้วค่อยเริ่มทำงานเมื่อเครื่องพร้อม
อาการเสียที่พบบ่อย
สตาร์ทยาก-----มอเตอร์ Valvetronic เสื่อม
เครื่องเดินเบาไม่นิ่ง-----เซ็นเซอร์ตำแหน่งวาล์วเสีย หรือระบบไม่จูนระยะยกวาล์วได้
ไฟ Check Engine โชว์ + โค้ดเกี่ยวกับ Valvetronic Motor หรือ Shaft------ชุดเฟืองสึก, เพลาขัด, ค่าควบคุมเพี้ยน
รหัสโค้ดเสียที่พบได้บ่อย (ใน BMW Scan Tools เช่น ISTA)
2A67 / 2A6B Valvetronic motor: range or adjustment fault
2A63 / 2A61 Eccentric shaft sensor malfunction
2A37 Valvetronic system: limp-home mode active
ข้อควรระวังเวลาซ่อม
ห้ามหมุนมอเตอร์ด้วยมือเปล่าหากไม่ปลดระบบ
ต้อง รีเซ็ตค่า Adaptation (Initialize Valvetronic) หลังเปลี่ยนมอเตอร์หรือเซ็นเซอร์
ใช้ Torque ตามสเปก เพราะชิ้นส่วนบางมาก (เช่น sensor & valve cover)
จากภาพ คือชิ้นส่วนหมายเลข9


สตาร์ฟิตออโต้



